Ticker

6/recent/ticker-posts

Advertisement

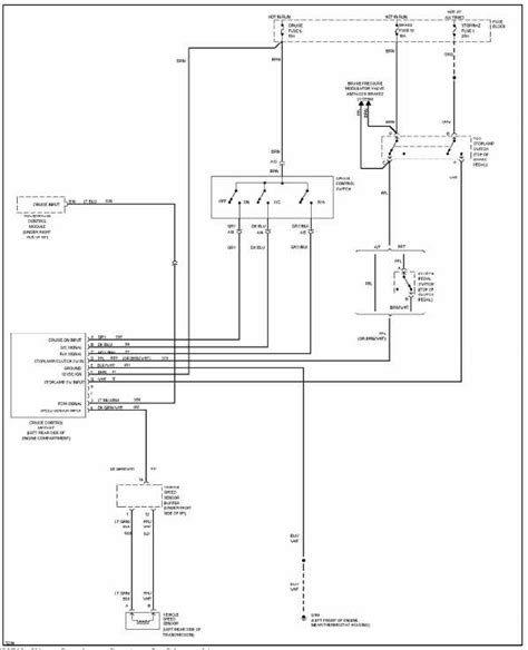
Free 2001 Chevy Tahoe Lt Wiring Diagram Manual (PDF / ePub)

2001 Chevy Tahoe Lt Wiring Diagram Manual
Presently you are looking regarding an 2001 Chevy Tahoe Lt Wiring Diagram Manual example of which we provide here within some type of document formats such as PDF, Doc, Strength Point, and in addition images of which will make it simpler for you to create an 2001 Chevy Tahoe Lt Wiring Diagram Manual yourself. For a more clear look, you may open several examples below. All the good examples about 2001 Chevy Tahoe Lt Wiring Diagram Manual on this web site, we get from many sources so you may create a better document of your own.When the search you obtain here does not match what you are searching for, please use the lookup feature that we have got provided here. You will be free to download anything that we provide in this article, it will not cost you the slightest.

Everyone knows that reading 2001 Chevy Tahoe Lt Wiring Diagram Manual is beneficial, because we can easily get too much info online from the resources. Technology has developed, and reading 2001 Chevy Tahoe Lt Wiring Diagram Manual books might be easier and easier. We can easily read books on our mobile, tablets and Kindle, etc. Hence, there are lots of books entering PDF format.Listed below are some websites for downloading free PDF books to acquire as much knowledge as you wish. These days everybody, young and older, should familiarize themselves together with the growing eBook industry. Ebooks and eBook visitors provide substantial benefits above traditional reading. Ebooks slice down on the make use of of paper, as strongly suggested by environmental enthusiasts. There are no fixed timings for study. There is usually no question of waiting-time for new editions. There is no transportation to the eBook shop. The books at an eBook shop can be downloaded instantly, sometimes for free, at times for any fee.


Not merely that, the online version of books are typically much cheaper, because publication residences save their print in addition to paper machinery, the rewards of which are given to to customers. Further, the reach of the e book shop is immense, enabling an individual living in Sydney to source out to a publication house within Chicago. The newest trend in the online e book world is exactly what are known as eBook libraries, or e book packages. An eBook package is something out of the ordinary. That consists of a huge number of ebooks bundled together that are not necessarily easily available at one individual place. So instead of hunting down and acquiring, say 100 literary classics, you can purchase an eBook package which contains all these types of ebooks bundled together. These types of eBook libraries typically provide a substantial savings, in addition to are usually offered within a number of formats to match your brand of electronic reading device. Large companies, such because Amazon or Barnes as well as Noble, tend to not necessarily carry these eBook your local library. If you want to purchase one of these your local library, you will have to find independent eBook outlets. These independent eBook outlets typically package the e book libraries by genre, in addition to have a wide selection of genres.
  • Free 1998 Nissan 240sx Service Factory Repair Manual (PDF / ePub)